金相的美讓人驚艷!
金相也是藝術,如果你也有這樣的發現,歡迎后臺與我們分享。
誰知頑鐵蒙塵后,競結攢心冰凌花——E690海洋平臺用鋼經干濕周浸實驗后腐蝕銹層形貌(張杰 中國航空制造技術研究院)

蘭鈴絮曲——直徑80nm多孔碳陣列(李楠 中國航發北京航空材料研究院)
納米莎草花——水熱合成法制備的(ZnAg0.01)O1-δ復合材料中ZnO組成的納米花團簇(呂燕劉曉燕李雙明 沈陽飛機工業(集團)有限公司)

金字塔——GH33合金特殊條件腐蝕成 “金字塔”形剝層特征(管鵬 中國航發西安航空發動機有限公司)

高樓林立——高溫合金電解腐蝕r相(鄭真 中國航發北京航空材料研究院)

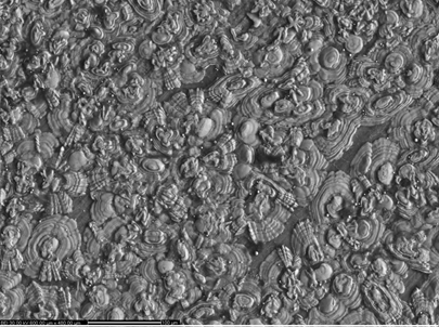
檸檬——合金鋼拉伸斷口(陳國權 哈爾濱飛機工業(集團)有限責任公司)

靈芝——12Cr2Ni4A鋼磷化層表面(宋鴻超 哈爾濱東安發動機(集團)有限公司)

貴妃戲鹿圖——00Cr19Ni10鋼中氧化鋁夾雜經鍛造變形后破碎后伴生裂紋(朱春維 中國航發貴州黎陽航空動力有限公司)

走向深邃——TC4合金電子束焊接接頭疲勞斷口(孫智君 中國航發商用航空發動機有限責任公司)

首屆航空光學金相照片大賽獲獎作品
金黃的麥穗,豐收的季節——Ti3Al合金組織(楊東有 中國航發北京航空材料研究院)

翠綠青山——316不銹鋼激光熔覆組織,偽彩色(姚罡 中國航空制造技術研究院)

暗夜花香——K125合金組織(趙文俠 中國航發北京航空材料研究院)

鋼中霸王花——K477A合金共晶相(γ+γ、共晶)組織(伍根牛王紅 中國航發南方工業有限公司)

微風吹過,碧波蕩漾——3D打印FGH96合金組織(田軍 中國航發北京航空材料研究院)

藏民的節日——40CrNiMoA鋼磨拋表面靜置12h后的銹蝕形貌(林楚新中國航發湖南動力機械研究所)

暗夜之瞳——球墨鑄鐵組織(張淑萍張秀麗 中國人民解放軍5721廠)

來源:材料熱處理工程師
相關文章:


